40 x 80 Light
Options
We're here to assist:
Call us at (860) 769-5500 or
Contact Us Online ›
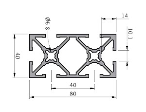
This is a 40 mm x 80 mm light duty aluminum extrusion. There is on t-slot per 40 mm side and two t-slots per 80 mm sides.
Features - Applications:
- Ideal for medium duty applications
- Has six 10 mm T-slots
- Ideal for applications requiring extra stability or additional T-slots
- Light version

