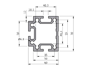
50 x 70 3 T-Slots
Options
We're here to assist:
Call us at (860) 769-5500 or
Contact Us Online ›
Features - Applications:
- Ideal for height adjustments on workstations, conveyor stands and frames
- Fits over 40 x 40 profiles to create telescoping sleeve
- Used to create sliding doors, telescoping legs and other adjustable structures
- Locks in place with a T-nut and a locking lever (sold separately)

